7端子の点滅コントローラー?
XR250のウィンカーをLED化してシーケンシャル点滅化に成功!。ポジションランプ機能が無くなるのは嫌だったので、白色デイライト点灯する灯体を採用しています。
考察
XR250のウィンカーランプは15WというレアなW数が使われています。通常は21Wや10Wが採用されいるのでちょっと不思議な気はしてました。又、XR250のウィンカーランプはフロント側はポジションランプとしても機能することを現車を入手後に知りました。
ところがフロントランプに使われている15Wはシングルフィラメントです。どうやってポジションランプとウィンカーランプを使い分けているのか・・・
ウィンカーランプをLED化するにしても複雑な配線がされていると改造方法が複雑になりそうです。嫌な予感がします。
ネットで調べるとウィンカー点滅リレー(コントローラ?)は何と7端子タイプ!
樹脂のフェンダーが変形したのか、フェンダー取付部がずれているのか、フェンダーが固定されるサブフレーム自体がねじれているのか.....
今度調べて修正しなきゃ(笑) 課題がまた一つできました。
HONDAのHPを参照するとこんな説明がありました。
ウインカーポジションには、CRM250Rで好評のシングルフィラメントの細かな点滅によってウインカー点灯時15w、ポジション点灯時5wの複合点灯を可能としたウインカーポジションリレー方式を採用しています。このシステムの採用によって、大型のダブルフィラメントバルブに替わって、小型バルブの採用が可能となりウインカーボディを小型・軽量なものとしながらも、被視認性の向上を図っています。
|
|
| ウインカー作動特性 | ウインカーポジション作動特性 |
ネットで調べるとウィンカー点滅リレー(コントローラ?)は何と7端子タイプ!
通常の2端子や3端子のリレーと異なるようです。
7端子の配線を解読して無事にウィンカーランプやポジションランプをLED化できるのでしょか?

但し、燃料ホースだけは事前に取り外しておきましょう!

タンク外して、ターゲットと御対面

外した点滅コントローラーは事前の情報どおりの物でした。

早速7端子の信号やら負荷を調べます。コントローラの出力線(ランプに繋がる線)を推定して、電源12Vが来ている端子をテスターで確認し、それを他の端子にバイパスしながらバイクのどこのランプが光るのかを確かめます。

すると、こんな風になります。 テールランプとブレーキランプに繋がる線があるので気持ちよくパカッと分離できませんでした。

そして、ナンバープレート周辺に表れるギボシ結線達(汚れがひどい)

一方で、バッテリー横あたりからブレーキランプの出力線を引き込んでおく。
赤い線はテールランプの出力を以前分岐させる為に以前にDIYで追加した線です。 3本の線の詳細です。


そこに雨降りだして、小物達も撤収を余儀なくされたり...

強烈な雨が降る続くと屋根の凹みに雨溜まって、あわや大惨事の一歩手前(笑)

とっさに、子供の虫取り網を使って屋根中央部を一番高くして事なきを得た次第...

2021年9月10日追記
7端子の配線を解読して無事にウィンカーランプやポジションランプをLED化できるのでしょか?
市販のリレーハーネスを見つけた!
LED化をする前にいろいろと調べごとをしていると、DAYTONAから標準搭載の7端子を2端子に変換するサブハーネス(品番69637)が発売されているのを見つけました。(写真はネットから引用してます。)
適応車の表示を見るとHONDAの
- CB400SFSPEC3/SB 05-07年
- CB1300SF/SB 05-07年
- XR250 95-06年
と表記があります。この3車種は7端子タイプが採用されていると分かります。
7端子をどうやって2端子化しているのか?肝心な部分はチューブで隠れて見えません。このリレーハーネス購入するのは最終手段として検討しつつ、もう少し自分で調べてみることにします。(下記写真はネットから引用しています)
1800円です。買ってしまえば楽なのはわかってます。
でもやっぱDIYを楽しみたいじゃありませんか~?(笑) ボケ防止に頭の体操でもしてみます。
既製品の外観から妄想?
写真をガン見すると7本の線から2本だけ取り出しているように見えます。
残りの5本は断線したままか又は、端子同士を繋げて(ショートさせて)いるようです。
単独で取り出した2本のメスターミナルに2端子タイプのウィンカーリレーを取り付ける方式の変換ハーネス。2端子以外の線をどう処理しているのでしょうか?
ウィンカー(点滅コントローラ)のメーカーは新電元
ネットは便利です。ウィンカーコントローラの詳細までは分からないまでも外観や型式が載った写真が幾つかヒットします。下記情報までは分かりました。
- メーカー:新電元
- 型式:TL108
但し、新電元のホームページを隈なく閲覧してみましたが部品情報を手に入れることはできませんでした。
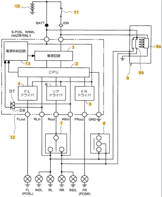
解決すべき問題:単一フィラメント電球でウィンカーランプを作るために使用される照明制御装置を簡素化するために、位置ランプ、ハザードランプ、およびアラーム表示ランプとしても機能し、外部の大電流容量ダイオードを省略しますそれのための。解決策:本発明は、ウィンカーランプFL、RL、RR、FR、ウィンカースイッチ7、および車体前部のウィンカーランプFL、FRを以下のように点灯させるための照明制御回路12を含む。ポジションランプ。照明制御回路12は、点火スイッチ11を介して電池10に接続されている。
....
この文章の後、ひたすら英文が続いたので瞼が閉じそうになってきたました。(笑)
参照ページからPDFが参照する部分あったので、それを開くと日本語で書かれた文章に出会えました。思いっきり幸せな気分になりました。(笑)
- ポジションランプとウィンカーフロントランプをシングルフィラメントで実現可能
- ウィンカーのリアランプはポジション機能なし
- ウィンカースイッチが左又は右に入っているかを検出している
- 検出した側のみ点滅させて、スイッチが入ってない側はポジション点灯のまま
- ポジション点灯はPWM制御で減光させている。(減光時:電流で25%相当?)
公開特許の資料に示されていた代表的な結線方法を2つほど抜粋してみます。
どの回路も自動車での使用を想定してかBATT(バッテリー)とIGN(イグニッション)が分かれています。但し、バイクにおける結線はキーONで電源+が供給される配線になっているはずです。 つまりBATTとIGNが共用となった配線ですね!
その場合は必要となる端子は全部で8端子です。一方XR250は7端子...
一致しません(笑)。もう少し考えてみましょう。
下記回路相当で何か1本の信号が省略されているはず。
ここで先程のDAYTONAのリレーハーネスのことを思い出しました。変換ケーブルが2端子用になっているところをみるとGNDレスで動く回路になっているのではないかと推定できます。
仮にGNDが無くても動く回路だとすれば...
- 電源(+):キーオン時
- フロントランプ出力(L側)
- フロントランプ出力(R側)
- リアランプ出力(L,R兼用)
- ターンスイッチ検出(L側)
- ターンスイッチ検出(R側)
- メーターインジケータ出力
となりXR250と同じ7端子の構成となりました。XR250側の信号や負荷線に対してサブハーネスをどう作ればよいかの見通しが立ちましたね~
最終的には現車をバラシて配線の電圧や前後左右へ延びる配線の導通具合を確認して変換用サブハーネスを考えます。
ちなみに、更にネットを徘徊していると下記画像を見つけました。(引用してます)
画像をガン見して確認したところ変換ハーネスに繋がっているウィンカーリレーは電源線(赤色)とウィンカースイッチに接続される出力線(黄色)で接続されています。
このリレーは2端子タイプではなく、リレー本体からフレーム用アース(GND)線が設定されているようです。(先端がU形状)
このことから標準の7端子にはGND線は無いと判断できます。
配線図あればもっと簡単に推測できるのに... これだけ状況証拠を集めるにも時間掛かってます。とはいえ、その過程が楽しいのでボケ防止にはいいのではないのでしょうか?(笑)
以上の結果と公開特許の配線図そして、XR250の現車のハーネスをテスターで追っかけて答えを導き出しました。
7端子の信号線や負荷線が確定したので写真で説明します。
配線は参考としてください。何かあっても責任は持てません。
実際の作業紹介
『理屈や原理なんてどうでもいいから早く実作業を見せてくれ~』 そんな声が聞こえてきます。そうですよね~ バイク乗る時間が少しでも欲しい人、LED化が簡単にできれば良い人。世の中いろいろです。
ついつい仕組みについて書き過ぎました。それでは作業紹介です。ウィンカーの点滅コントローラー(リレー)はタンクの真下に実装されてます。
タンクを取り外さねばなりません。XR250はメンテナンス性がいいのでタンクもボルト1本で取り外しできます。

但し、燃料ホースだけは事前に取り外しておきましょう!

タンク外して、ターゲットと御対面

外した点滅コントローラーは事前の情報どおりの物でした。
- メーカー:新電元
- 型式:TL108
早速7端子の信号やら負荷を調べます。コントローラの出力線(ランプに繋がる線)を推定して、電源12Vが来ている端子をテスターで確認し、それを他の端子にバイパスしながらバイクのどこのランプが光るのかを確かめます。
実は今回採用したLEDターンは光る本体(灯体)自体に自己点滅回路が入っています。
灯体の紹介はブログの最後にあります。
下記配線で赤色で『LED対応点滅リレー』の部分の端子をバイパス(ショート)させてしまっても各LEDランプが点滅するのです。
各々のLEDランプ(灯体)が内部に点滅する回路をもっているので、個別に点滅用リレーを準備しなくていよいという便利な品です。但し、amazonでもAliExpressでもこのことを明確に説明する記載内容が見当たらないのは何故でしょうか? 不思議です。
但し、点滅リレー無しで使う場合はデメリットもあります。
1つ目としてはメータの作動確認用インジケータが点滅しなくなります。作動時はインジケータが常時ONなので注意が必要。
そして2つ目はウィンカー点滅時に長時間点滅させていると前後のLEDの点滅が同期しなくなります。そもそも前後で別々の点滅周期をもっている(灯体に内蔵)ので当然ですよね!
いずれにせよメーターを交換する時に点滅リレーも準備しておきます。
右左間違えないよう写真で残しましょう!(笑)
電球タイプに比べるとLEDタイプはスリム。但し太い貫通タイプのボルトの重量があるので軽量化にはなってません。
ランプ側はオス端子です。カプラーは再利用するので端子のエラ(ロック構造)を押しながら外します。この作業は慣れてないと上手にできないので注意が必要です。
ランプ側はオス端子です。カプラーは再利用するので端子のエラ(ロック構造)を押しながら外します。この作業は慣れてないと上手にできないので注意が必要です。
橙色の印がある線をLEDの黄色の線につなぎます。黒色はGNDです。
残った白色の線(左と右)はキーオンで電源+が供給されるラインに接続してください。そうすると白色デイライトが鮮やかに光ります。
灯体を固定するステーはDIYは作りました。灯体固定のボルトが10mmなのでL字型のステーの穴サイズは11mmです。ボルトのネジ山がむき出しは目立つのでゴム栓でお化粧しておきました。左側の拡大と
右側の拡大です。
右側の拡大です。
リアターンランプ換装
リアは分解作業が面倒です。- キャリアを取り外す
- サイドパネルを取り外す
- リアフェンダーの固定ボルトを外す
左側はバッテリー上側にあるボルトを取ります。右側も対象となる部位にありますので外して下さい。
そして、リアフェンダーの裏からボルト2本を取り外します(黄色の〇印)
ちなみに、緑はターンランプのハーネス
白色はテールランプ、ブレーキランプ、GND線です。

すると、こんな風になります。 テールランプとブレーキランプに繋がる線があるので気持ちよくパカッと分離できませんでした。

そして、ナンバープレート周辺に表れるギボシ結線達(汚れがひどい)
ウィンカー関係のギボシを取り外す。

一方で、バッテリー横あたりからブレーキランプの出力線を引き込んでおく。
赤い線はテールランプの出力を以前分岐させる為に以前にDIYで追加した線です。 3本の線の詳細です。
今回はブレーキランプの出力線を分岐させてリアフェンダーまで延ばします。(青色線)
それにしてもリアフェンダーに穴が空きすぎです。リアタイヤから泥水巻きあげた際にこの穴(黄色〇印)から砂、泥、水が入ってきます。 この穴はちゃんと塞ぎたいですね~
配線状態を示します。橙色のマーカーが付いているのが右側、青色が左側です。なんで色識別がフロント側と入れ替わっているのか... ワイヤー設計がへっぽこだな~

動作確認してターンスイッチ左右で意図した側が点滅すること確認したらゴムカバーの中に収めましょう! すっきりしましたね~

リレーのついてないジャンパー配線類たちは何処の家庭にもあるサランラップ、クレラップでぐるぐるまいて簡易防水。(後日ちゃんと処理します)

コントローラーの元の場所にゴムバンドを流用して取付けします。エンジンの排熱に耐えれるのだろうか?

タンク、リアフェンダー、サイドパネル、ヘッドライト、キャリア、シート等々を修復して作業完了です。

動作確認してターンスイッチ左右で意図した側が点滅すること確認したらゴムカバーの中に収めましょう! すっきりしましたね~

リレーのついてないジャンパー配線類たちは何処の家庭にもあるサランラップ、クレラップでぐるぐるまいて簡易防水。(後日ちゃんと処理します)
コントローラーの元の場所にゴムバンドを流用して取付けします。エンジンの排熱に耐えれるのだろうか?
タンク、リアフェンダー、サイドパネル、ヘッドライト、キャリア、シート等々を修復して作業完了です。
動作確認
フロントは通常はデイライトで白色点灯。ウィンカー点滅時は白色部は消灯して橙(アンバー)色でシーケンシャル点滅動作します。
リアはブレーキランプと同期して点灯します。ウィンカーと同時動作はせずウィンカー優先となります。
思い通りの動作にブログ主もご満悦。但し、大きなミスが隠されています。XR250はオフ車です。今後も転倒のリスクが多々あります。
リアの灯体が車体から大きく飛び出しているので、次回転倒すると根本がポキ♪って折れる可能性大です。
一応灯体の根本は弾力性があって曲がるようになってますが、折れると思います。
もう一つの懸念はバイクカバーをした際に灯体にもろにカバーが当たります。カバーの重みで樹脂がクリープ破壊したり、カバーが風に煽られパタパタすると根本がポキ♪となります。
従って、そうそうに飛び出し量を緩和したステーを作る必要と分かりました。へっぽこ作業をやっちまったな~(笑) やっぱ純正形状は理に適ってます。
今日の作業場
天気予報では雨もパラパラするとのこと。作業が長引くことを予想して念の為に青空ガレージに屋根設置しました。(笑)
ところが、ロープ使ってピーンと張ってなかったのでターブの中央部に凹みが...

そこに雨降りだして、小物達も撤収を余儀なくされたり...

強烈な雨が降る続くと屋根の凹みに雨溜まって、あわや大惨事の一歩手前(笑)

とっさに、子供の虫取り網を使って屋根中央部を一番高くして事なきを得た次第...

7端子(9端子)コネクタの入手方法
AliExpressを活用しました。バイクのコネクタまで発注できるとは便利です。送料無料で10個も入ってます。2個もあれば十分ですが、安いし送料込み351円だから許容範囲ですね!
7月初旬に中華の国から到着したコネクタをやっと活用するときがやってきました。
自己点滅回路内蔵LEDターンランプ(デイライト付き)
SRV250用も配線は作ったけどまた取り付けていません。早いところ作業したいが時間が無いのが悩みです。
キャリアやリアフェンダーに張り付けるタイプのテール、ブレーキ、ウィンカー一体タイプの便利なグッズもあるので、オフ車ならこういうタイプをリアに採用するのもいいかもしれません。
LED対応のウィンカーリレーを付けました。この日は会社から有休頂いて休みだったので別記事で書いた中華メータの実装と同時にタンク下に点滅用のリレーを付けました。
LEDの灯体の取付もステー形状はそのままにゴムバンドに差し込む方向を逆にして灯体の出っ張りを低減させました。
ゴムバンドを内側から差し込むようにするには、バンドの2段スリットの上端を車両側のステーにつけて樹脂の抜け止め上から差し込む方法にすれば可能ですよ!
左側はまったく問題なしでOK!
今度調べて修正しなきゃ(笑) 課題がまた一つできました。
2021年9月18日 追記
リフレクターがタイヤ中心に対してズレている原因調査をしてみました。
フェンダー類を外してサブフレームを確認すると、サブフレーム先端の右側が下がっていることが分りました。(下写真)
原因としてはバイク転倒した際にマフラー本体がダイレクトに地面又は凸部に強く当たったことでサブフレームのマフラー取付部に強い衝撃が加わって変形したと推定します。
実際にマフラーの太鼓部にエクボ状の凹みが残っており強い衝撃があった証拠があります。ちなみに、入庫時から凹みがあるので、私の林道走行時の転倒ではないと思います。
サブフレームの修正
サブフレーム先端を腕でグイグイ押して変形した部位を修正しようとしました鉄フレームの変形が人間の腕ごときで元に戻るはずはありません。
そこで角木材の登場です。テコの原理を使って十分長い棒状のものがあれば小さな力で目的の箇所に大きな力を発生できます。
サブフレームだけのときは左右の高さをあわせたつもりだったのですが、フェンダー等を組んでみると修正で右側が若干上がりすぎたようです。
こんどはリフレクターが中心から少しだけ右側に寄ってます。(爆)
今回はこれで終わりとします。次回転んだらドンピシャで中心を狙いますね~(笑)
実はフェンダー外したついでにLEDウィンカ-(灯体)のステーもバージョンアップしました。理由はサブフレームの変形を修正したことで、ますますマフラーとLEDウィンカーのクリアランスが少なくなったからです。
仕方ないので純正のステーは全部取っ払って、新たな形状のステーを使って直接サブフレームにボルト&ナットで固定します。角度を変えることでLEDウィンカーの高さ変えれるので好都合でした。
泥がアタックするハーネス部分はラバー等で保護しておきました。いい感じになりました。これで取り付けネタも終わりとします。
参考資料(ハーネスの色)
オートバイRPMゲージ、LEDディスプレイスピードメーター走行距離計タコメーター燃料ゲージ
スピードメーター ミニ ユニバーサル LCDデジタルオートバイメーター スピードメーター デジタル走行距離計 電気モーターバイクタコメーター




































xr250 md30のウインカーをLEDに変えようと思い、上に写真が出ている、7→2のハーネスをつけようとしたら、おそらく他のリレーがついていて配線色がわからないのですが、教えてもらえないでしょうか?
返信削除1番が茶だと思います。
よろしくお願いします。
コメント&お問合せありがとうございます。この作業をしたときにコネクタハウジングの端子位置や番号をつけながら作業したのですが、バイクの配線色についてはメモしていなかったので残念ながら分かりません。
削除保存してあった写真の拡大をブログの最後尾に追加しておきましたのでもし参考になるようでしたら活用ください。
お力になれずすみません。
リレーの出力が判明したとのことで画像を拝見させて頂きました。サービスマニュアルの配線図に全て掲載されていますがこの情報ではダメなのでしょうか
返信削除こんにちは! ブログ主はサービスマニュアルをもってなかったのでネットに落ちている情報とは、実車のハーネスから信号追ったりして調べてウィンカーを変更してみました。サービスマニュアルの情報だけでも、なんとかなると思います。
削除LEDに対応したウィンカーリレーの入手をしくじらないようにすれば大丈夫かと…
はじめまして!
返信削除こちらの記事のおかげで長年乗っているXRバハのウインカーを無事にLED化することができました!
勝手ながらお礼を申し上げます、詳細なレポートをありがとうございます。
電気系がとても苦手な上に特殊な機構のウインカーなので自力ではとても完遂できなかったと思います。
せっかくの回路図をちゃんと見れてなくてダイオードの存在を見落として結線していきなりハザード状態になってしまうくらい電気オンチでしたがお陰さまで無事完成できました。
お礼申し上げます。
V2kaz さま コメントありがとうございます。大切な相棒XRバハのウィンカーLED化が無事に完了とのこと。自分事のようにうれしいです。もともと、自分の得意分野を皆様のお役に立てればと思ってブログ記事にまとめておりましたので、お役に立ててうれしい限りです。
削除もうすぐ還暦ライダーの私ですが、オフロードバイクの楽しさを存分に楽しんでいきたいと思ってます。お互いバイクライフを満喫しましょう!
初めまして。
返信削除XR250、2台目(笑)を入手したので全バラ整備をしています。
綺麗にするついでに、ウィンカーもLED化しようと考えていますが、リレーへの配線が7本あるところで躓いてこちらのページにたどり着きました。
ご丁寧な説明、ありがとうございます。
とても参考になります。
ハザードは必要としていない場合、回路図上のその部分は付けずに、ダイオードは10DDA10とか、1N4007(1000V1A)辺り(以前整流するのに用いた余り)を付けたら良いでしょうか?
電気はよくわからないので、ご教示頂ければ幸いです。
初めまして。
返信削除XR250、2台目(笑)を入手したので全バラ整備をしています。
綺麗にするついでに、ウィンカーもLED化しようと考えていますが、リレーへの配線が7本あるところで躓いてこちらのページにたどり着きました。
ご丁寧な説明、ありがとうございます。
とても参考になります。
ハザードは必要としていない場合、回路図上のその部分は付けずに、ダイオードは10DDA10とか、1N4007(1000V1A)辺り(以前整流するのに用いた余り)を付けたら良いでしょうか?
電気はよくわからないので、ご教示頂ければ幸いです。
コメントありがとうございます。ハザード機能を付けない場合は、コメントのとおりハザードスイッチ相当の部分とそれに繋がる線を取り除けばOKです。ダイオードは左右のターンシグナルランプ(ウィンカーランプ)から、メーターインジケーター用のランプやLEDに電流を流す経路から逆流防止をするために必要です。
削除インジケーター用は3.4W以下の電球だと思いますので、1Aより少ない電流となります。
ということで、提示頂いた2つの型式のどちらでも大丈夫です。
2台目のXR250が入手できたなんて、凄くラッキーですね~
私もやたら本数の多いウィンカーリレーに閉口してしまいましたが、こつこつネットにある断片的な情報を集めてこのブログ記事にまとめました。役に立てて嬉しいかぎりです。
早々の返信、ありがとうございました。
削除誤って同じ内容を2つ送ってしまい、すみません。
ダイオードの件もありがとうございます。
素直に既製品を購入した方が楽なのはわかっているけど、色んな情報寄集めて解読したり工夫するのは楽しいですよね。
とはいえ、電気回路でそれが出来てしまうのはすごいと思います。
XRもパーツが出ないものも出てきたので、最近は3Dプリンタで色々部品作って楽しんでます。
3Dプリンター! 凄く欲しいアイテムの一つです。自分で工夫して世界に一つしかないものを作り出すって素敵なDIYだと思います。XRライフを楽しんでいきましょう!
削除